В. Д. Бочков, Б. Н. Дражников, Г. А. Казанцев, Э. И. Кафтаненко, М. Л. Храпунов
Государственное унитарное предприятие “Научно-производственное объединение “Орион”, Москва, Россия
Приведены результаты научно-исследовательской работы по разработке фотоприемного устройства, состоящего из фотоприемника на основе матрицы из PbSe форматом 8х8 и термоэлектрического охладителя, и устройства обработки и управления. Показана возможность реализации по- рогового потока 6,32·10-8 Вт/эл при частоте модуляции 1200 Гц, полосе пропускания сигнала 150 Гц, температуре слоя 22 °C.
ИК-системы с применением фоторезисторов на основе солей свинца до сих пор находят широкое применение в военной и коммерческой аппаратуре, о чем свидетельствует проведенный анализ рынка США, в соответствии с которым доходы от их продаж занимают в 1998 г. третье место после КРТ и антимонида индия, что обусловлено их дешевизной, надежностью, доступностью, меньшими габаритными размерами, массой и энергопотреблением [1]. Привлекательной особенностью таких приемников является их способность работать как без охлаждения, так и при термоэлектрическом охлаждении до 195 К.
Следует отметить, что конечный потребитель ИК-систем заинтересован в получении информации большого объема и лучшего качества, что достигается при использовании больших матриц. Поэтому уже с 70-х гг. наблюдается тенденция как к увеличению числа элементов в матрице, что обеспечивает лучшее разрешение и чувствительность ИК-системы, так и к созданию более сложных фотоприемных устройств, осуществляющих усиление и считывание информации.
Матричное фотоприемное устройство (ФПУ) на основе селенида свинца для области спектра 3-5 мкм было разработано и изготовлено в рамках научно-исследовательской работы, заявленной МО, включает фотоприемник (ФП) и устройство обработки и управления (УОУ) и устанавливается непосредственно на оптический блок ИК-системы (рис. 1).

Рис. 1. Структурная схема фотоприемного устройства:
ФП - фотоприемник;
ТЭО - термоэлектрический охладитель;
МФ8х8 - матрица;
ДТ - датчик температуры;
УОУ - устройство обработки и управления;
УПО1, …, УПО8 - устройство предварительной обработки;
ДКВ1, …, ДКВ8 - двойная коррелированная выборка;
М1х8 - коммутатор-распределитель;
М16х1 - 16-канальный коммутатор;
ВУ - выходной усили- тель;
УС - устройство синхронизации;
УКТ - устройство контроля температуры;
УСП - устройство стабилизации питания;
СП - стабилизатор напряжения;
УМ - усилитель мощности
В ФПУ предусмотрен также модулятор светового потока, выполненный в виде диска с прорезями, размеры которых определяются размерами фоточувствительной площадки (ФЧП) матрицы. Диск модулятора располагается вблизи входного окна. Синхронизация работы ФПУ (время кадра) с частотой модуляции (скоростью вращения модулятора) обеспечивается синхродатчиком на базе оптопары (светодиод-фотодиод), который подает импульсный сигнал начала опроса элементов матрицы.
ФП содержит матрицу фоточувствительных элементов (МФ8х8) форматом 8х8, термоэлектрический охладитель (ТЭО), работающий в режиме термостабилизации, датчик температуры (ДТ).
УОУ состоит и устройств предварительной обработки (УПО1, …, УПО8), коммутатора- распределителя (М1х8), устройств двойной коррелированной выборки (ДКВ1, …, ДКВ8), 16- канального коммутатора (М16х1), выходного усилителя (ВУ), стабилизатора питания (СП), устройств контроля температуры (УКТ) и синхронизации (УС), устройства стабилизации питания (УСП), а также усилителя мощности (УМ).
Фоточувствительная матрица (МФ8х8) представляет собой сложную многослойную структуру, включающую изоляционную подложку, фоточувствительный слой, систему токопроводящих шин Х-Y адресации и контактных площадок. Фоточувствительный слой изготавливается методом химического осаждения пленки PbSe, сенсибилизированной посредством подогрева в замкнутом объеме, система токопроводящих шин адресации и контактных площадок - методом вакуумного напыления тонких пленок с последующим фотолитографическим выделением. Особенность изготовления матрицы состоит в том, что каждая вертикальная шина проходит через весь ряд вертикального столбца из восьми ФЧП и делит каждую из них на две равные части. Горизонтальные шины представляют собой гребенку, формирующую второй размер ФЧП. Каждая такая шина объединяет горизонтальный ряд из восьми площадок. Вертикальные и горизонтальные шины в местах перекрестий изолированы между собой. Фрагмент топологии матрицы представлен на рис. 2, из которого видно, что индивидуальная фоточувствительная площадка представляет собой квадрат с двумя боковыми электродами и одним центральным, разделяющим ее на две равные части. Каждая половина ФЧП работает при противоположных полярностях подаваемого напряжения смещения [2]. Размер ФЧП без учета центрального электрода (1,2±0,01)х(1,2±0,01) мм. Коэффициент заполнения рабочей площади матрицы составляет 65,8 %. Такой способ изготовления, несмотря на кажущуюся простоту, выявил ряд проблем, в частности обеспечение изоляции в перекрестиях токоведущих шин, которые были решены в процессе выполнения работы.

Рис. 2. Фрагмент топологии матрицы
Устройство обработки и управления обеспечивает считывание сигналов с входа ФП и формирование видеосигнала следующим образом.
Коммутатор-распределитель М1х8 осуществляет поочередную подачу напряжения смещения (Есм) на каждый опрашиваемый столбец матрицы, причем сначала на столбец, связанный с элементами 1, 2, …, 8, затем 9, 10, …, 16 и т. д., и подключение неопрашиваемых столбцов к нулевому потенциалу источника Есм.
Устройства предварительной обработки информации (УПО1, …, УПО8) соединены со строками матрицы и обеспечивают предварительную обработку сигналов с выхода матрицы. Устройства двойной коррелированной выборки (ДКВ1, …, ДКВ8), связанные с выходами (УПО1, …, УПО8), осуществляют выборку и хранение сигналов.
Функциональная схема устройств предварительной обработки и двойной коррелированной выборки представлена на рис. 3, из которой видно, что каждое из УПО1, …, УПО8 содержит трансимпедансный усилитель (ТИУ), интегратор (ИНТ), дискретно-аналоговый фильтр (ДАФ) и ключ, а каждое из ДКВ1, …, ДВК8 - две идентичные схемы двойных коррелированных выборок (ДКВ1.1, ДКВ1.2, …, ДКВ8.1, ДКВ8.2), что позволяет выбирать и хранить сигналы от элементов матрицы, расположенных через один (одна из схем связана с четными элементами матрицы, вторая - с нечетными).

Рис. 3. Функциональная схема устройств предварительной обработки и двойной коррелированной выборки:
ТИУ - трансимпедансный усилитель;
ИНТ - интегратор;
ДАФ - дискрет- но-аналоговый фильтр;
К - ключ;
ДКВ1, …, ДКВ8 - устройство двойной коррелированной выбор- ки;
ДКВ1.1, ДКВ1.2, …, ДКВ8.2 - схема двойной коррелированной выборки;
УПО2,…, УПО8 - устройство предварительной обработки
ТИУ, построенный на основе малошумящего операционного усилителя, обеспечивает преобразование тока через ФЧП в напряжение и устраняет взаимное влияние между каналами за счет так называемого “виртуального нуля”, т. е. Есм на неопрашиваемых элементах матрицы равно нулю, а сопротивления на обоих концах напрашиваемого элемента близки к нулю.
Напряжение на выходе ТИУ (Uвых) при отсутствии оптического входного сигнала определяется как
Uвых = Есм Rос/Rт, где Rос, Rт - сопротивление резистора в цепи обратной связи ТИУ и темновое сопротивление фоторезистора, соответственно.
Таким образом, на выходе ТИУ образуется постоянная составляющая напряжения сигнала, величина которой зависит от величины Rт. Видеосигнал, образованный последовательностью этих постоянных составляющих напряжений, принято называть “структурной помехой”, амплитудное значение которой зависит от неоднородности фоточувститель- ной структуры по Rт.
ИНТ осуществляет накопление в течение времени считывания сигнала с опрашиваемого элемента (время “светового” полукадра) и передачу его на вход ДКВ, где сигнал запоминается, и на ДАФ через ключ (К), где происходит устранение структурной помехи. Последнее осуществляется следующим образом. ДАФ в течение времени “темнового” полукадра (К замкнут) запоминает структурную помеху и передает на вход ТИУ, где в течение времени “светового” полукадра (К разомкнут) происходит вычитание “структурной” помехи. Выходной 16-канальный коммутатор (М16х1) считывает сигналы с устройств двойной коррелированной выборки и формирует видеосигнал с однозначным обеспечением пространственно-временного преобразования, т. е. соответствие пространственного положения и номера элемента и временного положения сигнала от этого элемента.
Общая временная диаграмма работы ФПУ (рис. 4) иллюстрирует процесс формирования выходного сигнала, синхронно связанного с работой модулятора. На верхней строке диаграммы представлен процесс “набегания” изображения модулятора на одну из строк матрицы, а на последующих восьми представлена временная зависимость мощности светового потока, попадающего на каждую строку матрицы. Импульс ОАИ, синхронизированный с частотой модуляции, определяет начало опроса, с которым совпадает первый синхроимпульс САИ. Начиная с 21-го импульса САИ на выходе ФПУ появляется фотоэлектрический сигнал от ФЧП матрицы под номером 1, затем 2 и так до 64.

Рис. 4. Временная диаграмма работы ФПУ
Устройство синхронизации (УС) осуществляет формирование импульсов управления работой ФПУ.
Устройство контроля температуры (УКТ) работает совместно с термоэлектрическим охладителем (ТЭО) и датчиком температуры (ДТ), осуществляя термостабилизацию матрицы следующим образом. При температуре окружающей среды выше температуры стабилизации, ТЭО работает в режиме охлаждения, в противном случае - в режиме подогрева за счет обратной полярности протекающего через ТЭО тока.
Температура матрицы измеряется ДТ, который включен в одно из плеч мостовой схемы, в другом плече которого потенциометром достигается баланс моста, соответствующий определенным значениям сопротивления ДТ и температуры матрицы. Сигнал разбаланса моста усиливается дифференциальным усилителем и через усилитель мощности управляет ТЭО.
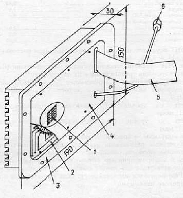
Конструкция ФПУ (рис. 5) выполнена в виде фланца 3 с резиновым уплотнением и геометрически развитой поверхностью на внешней стороне 4, обеспечивающих герметизацию внутреннего объема и более эффективный теплосброс в окружающую среду. УОУ выполнено в виде соединяющихся между собой специальными стойками печатных плат 2, на одной из которых расположены восемь микросборок ДАФ и микросхема коммутатора-распределителя (М1х8), на другой - микросборки ДКВ, коммутатора (М16х1) и ВУ, а также УКТ, выполненный на дискретных элементах, на третьей плате размещено УС, на четвертой - УСП, СП и УМ. В центрах плат предусмотрены отверстия, в которые вставляется фотоприемник 1. Питание и синхронизация ФПУ обеспечивается от внешних устройств через ленточный кабель 5, выходной сигнал ФПУ выводится через коаксиальный кабель 6 с разъемом типа МР1-30 на конце.

Рис. 5. Конструкция фотоприемного устройства
Экспериментальные исследования макетного образца заключались в оценке основных параметров, в т. ч. пороговой чувствительности ФЧП (Рпор.ф), которая связана с удельной обнаружительной способностью ФЧП матрицы (D*ф) следующим соотношением:

где еши - среднее квадратическое значение спектральной плотности напряжения шума УПО на частоте модуляции, В/Гц1/2; А - площадь ФЧП, см2; S(U)ф - вольтовая чувствительность ФЧП, В/Вт; tи - время интегрирования сигнала, осуществляемого ДАФ, с. По результатам измерения рассчитывалось среднее значение порогового потока ФПУ как

где n - число ФЧП в матрице.
Результаты исследования, проведенные при температуре фотослоя 22 °С, частоте модуляции 1200 Гц, полосе пропускания сигнала 150 Гц, представлены ниже:
| Пороговый поток, Вт/эл, не более | 6,32·10-8 |
|---|---|
| Мощность энергопотребления, Вт | 8,6 |
| Время: | |
| опроса одного канала, мкс | 0,64 |
| считывания кадра, мкс | 7,8 |
| выхода на режим с учетом ТЭО, мин, не более | 3 |
| Коэффициент фотоэлектрической связи, %, не более: | |
| между соседними | 2,9 |
| между вторыми | 0,3 |
| между остальными | 0,05 |
Питание ФПУ осуществляется от внешних источников постоянного напряжения 5 В; 15 В; - 15 В; 6,3 В; -6,3 В.
Управление ФПУ обеспечивается импульсами синхронизации (САИ) и опроса (ОАИ) с нижеследующими требованиями к их параметрам:
- период следования импульсов синхронизации ТСАИ = 7,8±0,01 мкс;
- период следования импульсов начала опроса ТОАИ = 128 ТСАИ ± DТСАИ; DТСАИ = (0-2) ТСАИ;
- длительность на уровне 0,5 амплитуды импульсов синхронизации ТСАИ = (0,6±0,1) мкс;
- длительность на уровне 0,5 амплитуды импульсов начала опроса ТОАИ = (7,8±0,1) мкс;
- полярность импульсов - положительная.
Анализ полученных результатов исследований показывает, что благодаря успешным решениям проблем, связанных с изготовлением матрицы оригинальной структуры и выбором принципа обработки информации, удалось реализовать высокую чувствительность неохлаждаемого фотоприемного устройства на основе PbSe. Результаты исследований могут быть использованы при разработке ИК-систем широкого назначения.
Л и т е р а т у р а
- У ш а к о в а М. Б. Американский рынок ИК-систем с применением фоторезисторов на основе сульфида и селенида свинца: Обзор/ОНТИ ГУП “НПО “Орион”, 1998. - 43 с.
- D a i n S. G l a d, J a m e s S. L o r e n k o, C h r i s t o p h e r M. P a r r y. Pulse-bias modulation of a PbS mosaic array//Optical Engineering. 1980. N 19(6). Р. 894-900.
AREA ARRAY PbSe PHOTODETECTIVE ASSEMBLY
W. D. Bochkov, B. N. Drarhnikov, G. A. Kasantsev, E. I. Kaftanenko, M. L. Khrapunov
The State Unitary Enterprise “RD&P Centre “Orion”, Moscow, Russia
Results of scientific and research work in development of photodetective assembly consisting of a photodetector, based on PbSe (8x8) array and a thermoelectric cooler, and a processing and control device are given. Possibility of realizing a threshold flow of 6,32Ч10-8 W/el at modulation frequency of 1200 Hz, signal transmitting band of 150 Hz, layer temperature of 22 C is shown.